世界最高レベルの溶け込み深さを実現
- 業界最小コア径
- 高いビーム品質
- 高い集光性
| 機種 | ファイバコア径 | パワー密度(W/cm2) | ビーム品質(典型値) |
|---|---|---|---|
| 1.5kWシングルモード | 業界最小 14um | 9.7×108 | <1.1(M2値) |
| 6kWマルチモード | 業界最小 50um | 3.1×108 | 1.7 mm・mrad(BPP値) |
| 12kWマルチモード | 業界最小 100um | 1.5×108 | 3.5 mm・mrad(BPP値) |
ファイバレーザ(IR)
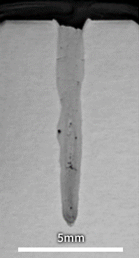
1.0kWシングルモードファイバレーザ
| ステンレス (SUS304) |
アルミニウム (A5052) |
銅 (C1100) |
|
|---|---|---|---|
| 断面写真 |
![]() |
![]() |
![]() |
| 速度(mm/min) | 10 | 10 | 10 |
| 溶け込み 深さ (mm) |
2.5 | 1.9 | 0.9 |
6kWマルチモードファイバレーザ
| ステンレス (SUS304) |
アルミニウム (A5052) |
銅 (C1100) |
|
|---|---|---|---|
| 断面写真 |
![]() |
![]() |
![]() |
| 速度(m/min) | 10 | 10 | 10 |
| 溶け込み深さ (mm) |
5.8 | 5.7 | 3.3 |
12kWマルチモードファイバレーザ
| ステンレス (SUS304) |
アルミニウム (A5052) |
銅 (C1100) |
|
|---|---|---|---|
| 断面写真 |
![]() |
![]() |
![]() |
| 速度(m/min) | 10 | 10 | 10 |
| 溶け込み深さ (mm) |
9.6 | 10.7 | 3.7 |
青-IR ハイブリッドレーザ
青2000W, IR 5800W |
|
|---|---|
| 銅 (C1020) |
|
| 断面写真 |
![]() |
| 速度(mm/sec) | 100 |
| 溶け込み深さ (mm) |
5 |
産業用レーザに関するお問い合わせ














