World's highest penetration depth
- World's smallest core diameter
- High beam quality
- High focusing property
| Model | Fiber core diameter | Power density (W/cm2) | Beam quality (typ.) |
|---|---|---|---|
| 1.5kW single-mode | 14µm | 9.7 × 108 | <1.1(M2 value) |
| 6kW multi-mode | 50µm | 3.1 × 108 | 1.7 mm · mrad (BPP value) |
| 12kW multi-mode | 100µm | 1.5 × 108 | 3.3 mm · mrad (BPP value) |
Fiber laser (IR)
1.0kW single-mode fiber laser
| Stainless steel (SUS304) | Aluminum (A5052) | Copper (C1100) |
|
|---|---|---|---|
| Cross-sectional photograph |
![]() |
![]() |
![]() |
| Speed (mm/sec) |
10 | 10 | 10 |
| Penetration depth (mm) |
2.5 | 1.9 | 0.9 |


6kW multi-mode fiber laser
| Stainless steel (SUS304) | Aluminum (A5052) | Copper (C1100) | |
|---|---|---|---|
| Cross-sectional photograph |
|
|
|
| Speed (m/min) | 10 | 10 | 10 |
| Penetration depth (mm) | 5.8 | 5.7 | 2.0 |


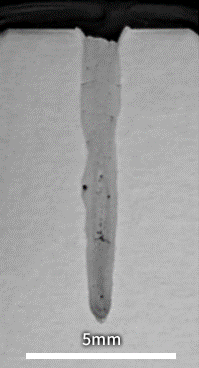
12kW multi-mode fiber laser
| Stainless steel (SUS304) | Aluminum (A5052) | Copper (C1100) | |
|---|---|---|---|
| Cross-sectional photograph |
|
|
|
| Speed (m/min) | 10 | 10 | 10 |
| Penetration depth (mm) | 9.6 | 10.7 | 3.7 |
Blue-IR hybrid laser
Blue 2000 W, IR 5800 W |
|
|---|---|
| Copper (C1020) |
|
| Cross-sectional photograph |
![]() |
| Speed (mm/sec) | 100 |
| Penetration depth (mm) |
5 |
Inquiries about Industrial Lasers





